EN-IMPEDANZ High Voltage Artificial Impedance Network Security Design
EN-IMPEDANZ AN Series is an artificial impedance network used for component testing of B-level voltage (high voltage) components, which can electrically reconstruct the impedance of the vehicle's high voltage grid in laboratories and test benches. How to ensure the safety of equipment and experiments during the testing process is very important.

1、 Water cooling/air cooling cooling and heat dissipation
By using inlet and outlet coolant for cooling and heat reduction, it ensures that the resistance value does not fluctuate significantly with temperature changes, while also avoiding equipment failures and testing accidents caused by high temperatures in AN Series products. This ensures both testing safety and stability of product impedance values. At the same time, X70 is a dehumidifier with a condensate outlet, ensuring the dryness inside the product.

2、 Real time detection and reflection of device physical status


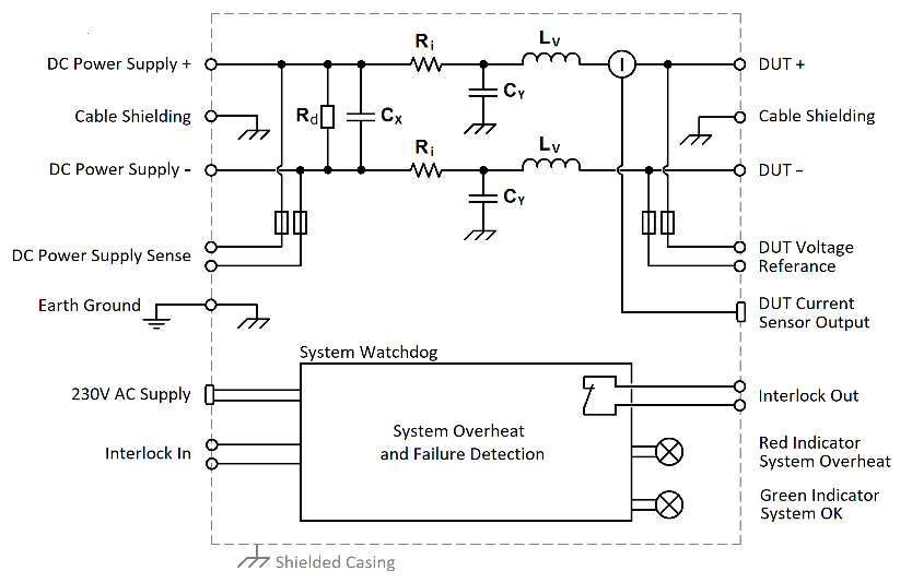
System Watchdog monitoring parameters:
1. Ri, HV temperature
2. Cs temperature
3. Cooling liquid inlet temperature and cooling liquid outlet temperature
4. Cooling fluid flow rate
5. Temperature of Cx discharge resistor
6. Adhesion detection of high-voltage contactors
7. Detect internal high voltage sensor errors
System Watchdog monitors the physical status of devices in real-time and displays their physical status in a timely manner.
3、 Timely feedback on fault reports

X6 displays the status of the high-voltage artificial network system. Operation/Fault Information Voltage: High voltage power grid and internal capacity Cx, coolant temperature, flow temperature and reflux temperature, and real-time fault alarm through H2.
--Screen turns red: displays the serious fault cause of the high-voltage artificial impedance network, such as Error 1.0, where the safety cover is opened when high voltage is present;
--Screen turns yellow/amber: The screen displays overheating information, such as T_ Cool ent_ In Hot! The inlet temperature of the coolant is too high;
Our product provides real-time feedback on faults that occur during the testing process, ensuring safe and stable testing.
4、 Grounding protection and high-voltage interlocking connection
When the image is running, the high-voltage artificial power grid system must be grounded. A grounding point - terminal board X80 is provided for this purpose.
It is prohibited to operate the high-voltage artificial network system without grounding.

In order for the AN series security system to function properly, its interlock inputs and interlock outputs must be connected to the laboratory security system. If an overheating event or error occurs, the artificial network can turn on its interlock output, command the laboratory to turn off the DC power and DUT, and discharge them. Similarly, the laboratory can trigger the interlock input of the artificial impedance network, completely disconnecting and discharging Cx/Cs and Cy inside the artificial network, thereby putting it into a safe state.
5、 Capacitor full pole disconnection and active/passive charging and discharging
To achieve a true turnkey solution, our artificial network can choose to integrate the required Cx/Cs high-voltage capacitors into its casing. By integrating Cx/Cs capacitors, it is possible to confidently meet and calibrate the correct Ri, HV parasitic inductance requirements of ISO 21498, VW 80300, and other internal specifications. A Cx/Cs capacitor with a typical value of 10mF is hazardous and requires special safety systems.
High voltage capacitor safety system:
1. Redundant full pole disconnection of Cx/Cs capacitors
2. Redundant active discharge of Cx/Cs capacitors
3. Redundant fast discharge of Cy capacitors
4. Additional passive discharge of Cx/Cs and Cy capacitors
5. Software independence, hardware shutdown
CopyRight © 2013 All Rights Reserved.
Guangzhou Zeer Testing Technology Co., Ltd. CopyRight 备案号:粤ICP备16057793号